Рым-болт Codipro DSP+С
Рым-болт Codipro DSP+С (Double Swivel Point+Centring — такелажная скоба с двойным вращением с системой центрирования) – это грузовой болт с проушиной, с возможностью вращения в сторону натяжения и самоконтрирования, предназначенный для грузоподъемных работ, а также создания растяжек и подвесов.
Диапазон температур использования (стандартный): от -20° до +200°C. Петля рым-болта окрашена.
Преимущества и особенности рым-болта Codipro DSP+С:
- Возможность вращения рым-болта по оси шпильки с автоматическим выбором оптимальной позиции по направлению петли.
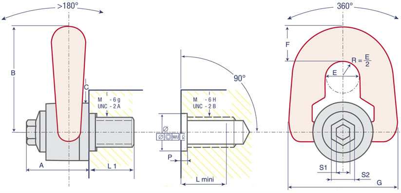
- Возможность горизонтального крепления рым-болта, с креплением петли в 90 градусов по отношению к резьбовой оси.
- Стандартные размеры рым-болта от М8 до М20, грузоподъемность от 0,3 до 2,5 тонн.
- Оснащен системой центрирования, что способствует увеличению горизонтального сопротивления.
- Окраска петли в красный цвет.
- Производство рым-болтов типа DSP+С по индивидуальным параметрам.
- Каждый рым-болт DSP+С имеет индивидуальный номер, сертификат и инструкцию по применению.
Внимание! Перед применением рым-болта Codipro DSP+С ознакомьтесь с инструкцией.
Ниже представлены характеристики грузовых болтов DSP+С.
Рекомендуемая нагрузка в зависимости от способа закрепления
| Способ закрепления | ![]() | ![]() | ![]() | ![]() | ![]() | ![]() | ||
|---|---|---|---|---|---|---|---|---|
| Количество рым-болтов | 1 | 2 | 1 | 2 | 2 | 2 | 4 | 4 |
| Угол закрепления | 0° | 0° | 90° | 90° | 45° | 60° | 45° | 60° |
| М8 | 0,3 | 0,6 | 0,3 | 0,6 | 0,4 | 0,3 | 0,6 | 0,3 |
| М10 | 0,6 | 1,2 | 0,6 | 1,2 | 0,8 | 0,6 | 1,3 | 0,6 |
| М12 | 1 | 2 | 1 | 2 | 1,4 | 1 | 2,1 | 1 |
| М14 | 1,3 | 2,6 | 1,3 | 2,6 | 1,8 | 1,3 | 2,7 | 1,3 |
| М16 | 1,6 | 3,2 | 1,6 | 3,2 | 2,2 | 1,6 | 3,4 | 1,6 |
| М18 | 2 | 4 | 2 | 4 | 2,8 | 2 | 4,2 | 2 |
| М20 | 2,5 | 5 | 2,5 | 5 | 3,5 | 2,5 | 5,3 | 2,5 |
Артикул
Наименование
Размер резьбы
Шаг резьбы, в мм
Грузоподъемность, в кг
Длина шпильки (B), в мм
Материал
Покрытие
Стандарт
Штук в комлекте
Стоимость
штуки комплекта
штуки комплекта
Добавить в заказ комплектов
Рассчитать автоматически





