DIN 95 — шуруп (саморез) с полупотайной головкой с прямым шлицем
DIN 95 — саморез (шуруп) с полупотайной головкой с прямым шлицем Slotted (SL). Имеет мелкий шаг резьбы. Используется для крепления в пластмассу, древесину, металлы (при предварительном сверлении).
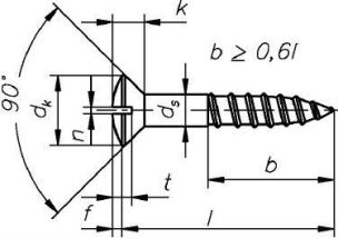
Стандарт DIN 95 для шурупов с полупотайной головкой регламентирует саморезы диаметром от 1,6 до 8 миллиметров включительно.
| d* номин. | d мин., мм | Шаг резьбы, мм*** | D, диаметр головки, мм | k, высота головки макс., мм | f, высота сферы ≈, мм | S, номин. размер ключа, мм | t макс., мм | ||
|---|---|---|---|---|---|---|---|---|---|
| номин. | мин. | макс. | |||||||
| 1,6 | 1,2 | 0,8*** | 3 | 2,7 | 3,3 | 0,96 | 0,4 | 0,4 | 0,8 |
| 2 | 1,6 | 1*** | 3,8 | 3,43 | 4,18 | 1,2 | 0,5 | 0,5 | 1 |
| 2,5 | 2,1 | 1,25*** | 4,7 | 4,33 | 5,08 | 1,5 | 0,6 | 0,6 | 1,2 |
| 3 | 2,6 | 1,25*** | 5,6 | 5,23 | 5,98 | 1,65 | 0,75 | 0,8 | 1,45 |
| 3,5 | 3,02 | 1,5*** | 6,5 | 6,05 | 6,95 | 1,93 | 0,9 | 0,8 | 1,7 |
| 4 | 3,52 | 1,75*** | 7,5 | 7,05 | 7,95 | 2,2 | 1 | 1 | 1,9 |
| 4,5 | 4,02 | 8,3 | 7,85 | 8,75 | 2,35 | 1,1 | 1 | 2,1 | |
| 5 | 4,52 | 2*** | 9,2 | 8,75 | 9,65 | 2,5 | 1,25 | 1,2 | 2,3 |
| 5,5 | 5,02 | 10,2 | 9,65 | 10,75 | 2,75 | 1,4 | 1,2 | 2,5 | |
| 6 | 5,52 | 2,5*** | 11 | 10,45 | 11,55 | 3 | 1,5 | 1,6 | 2,8 |
| 7 | 6,42 | 12,5 | 11,95 | 13,05 | 3,5 | 1,8 | 2 | 3,2 | |
| 8 | 7,42 | 3,5*** | 14,5 | 13,95 | 15,05 | 4 | 2 | 2 | 3,7 |
| 10** | 7** | 4,5*** | 18** | 5** | 2,5** | 2,5** | 4,5** | ||
* — номинальный диаметр (он же — максимальный)
** — указаны данные по стандарту ГОСТ 1146-80
*** — предельное отклонение шага резьбы ±0,2 мм (указаны данные по стандарту ГОСТ 1146-80)
Материалы и покрытие шурупов DIN 95
Материалы: углеродистая сталь, нержавеющая сталь А2 и А4, латунь.
Саморезы DIN 95 из углеродистой стали могут подвергаться процессу оксидирования, фосфатирования, электролитического цинкования (в том числе с пассивацией), нанесения цинк-ламельного покрытия.
Аналоги саморезов DIN 95 в стандартах ГОСТ и DIN
Аналоги шурупа DIN 95 в стандартах ГОСТ:
— ГОСТ 1146-80. Стандарт ГОСТ 1146-80 имеет исполнения 3 и 4, которые имеют крестообразный шлиц Phillips, а в стандарте DIN 95 — только прямой шлиц. Крестообразный — у DIN 7995. Также есть отличия по минимальным значениям диаметра резьбы. В стандарте DIN 95 отсутствуют шурупы диаметром 10 мм, присутствующие в ГОСТ 1146-80.
Аналоги шурупа DIN 95 в других стандартах DIN:
— DIN 7995. Саморезы по стандарту DIN 7995 имеют те же размеры, что и по DIN 95, но у них крестообразные шлицы: Phillips (DIN 7995 Form H) и Pozidriv (DIN 7995 Form Z). В стандарте DIN 7995 отсутствуют шурупы диаметром 1,6 мм.